Sintec新特 STFB-S1550-10SOT148 半导体激光器
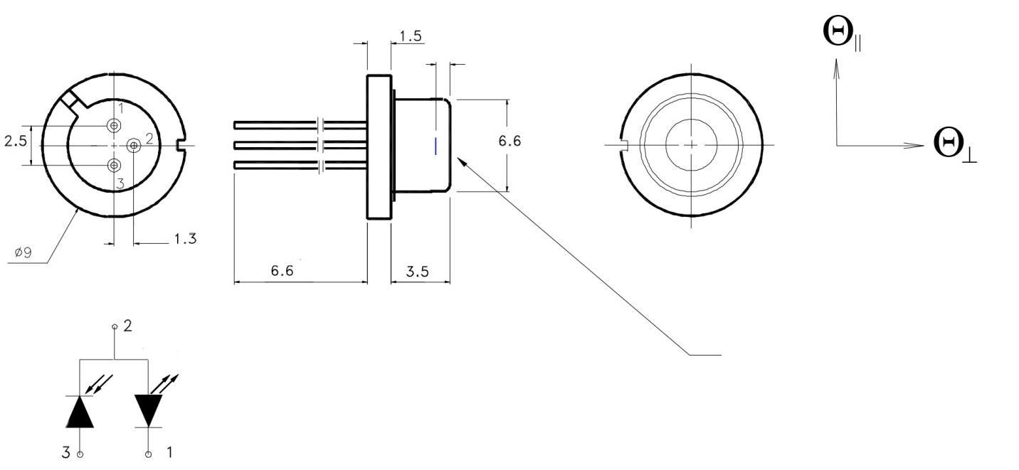
                                                Sintec新特    STFB-S1550-10SOT148 半导体激光器 产品参数 代号 典型值 单位 激光发射器 峰值波长 λop 1550±30 nm CW 光学输出功率 Pop 10 mW 运行电流 Iop < 80 mA 运行电压 Uld 1±0.3 V 电流阀值 Ith < 40 mA 光束发散角(FWHM) θ║ 8±5 度 光束发散角(FWHM) θ┴ 45±5 度 半宽频谱 (FWHM) Δλ < 3.5 nm 发射区域 Wxd 5x1 μmxμm 波长温度系数 Δλ/ΔT 4±0.5 nm/度 运行功率温度系数 ΔP/ΔT 0.1±0.05 mW/度 运行电流温度系数 ΔI/ΔT 0.6±0.05 mA/度 结构模式 SM TE00 - 运行温度 Top 25 度 运行温度范围   -40… +50 度 储藏温度范围   -40… +80 度 运行模式   连续; 脉冲, τ> 5 ns - 光电二极管监视器 监视器电流   1-1000 μA PD 反向电压   < 5 V 注意:为保证半导体激光器SOT-148的稳定运行,必...                                            
                
                            分类:                            
                            
                        货号:
                        STFB-S1550-10SOT148
                    相关产品
            描述            
                        
                    Sintec新特 STFB-S1550-10SOT148 半导体激光器
| 产品参数 | 代号 | 典型值 | 单位 | 
| 激光发射器 | |||
| 峰值波长 | λop | 1550±30 | nm | 
| CW 光学输出功率 | Pop | 10 | mW | 
| 运行电流 | Iop | < 80 | mA | 
| 运行电压 | Uld | 1±0.3 | V | 
| 电流阀值 | Ith | < 40 | mA | 
| 光束发散角(FWHM) | θ║ | 8±5 | 度 | 
| 光束发散角(FWHM) | θ┴ | 45±5 | 度 | 
| 半宽频谱 (FWHM) | Δλ | < 3.5 | nm | 
| 发射区域 | Wxd | 5x1 | μmxμm | 
| 波长温度系数 | Δλ/ΔT | 4±0.5 | nm/度 | 
| 运行功率温度系数 | ΔP/ΔT | 0.1±0.05 | mW/度 | 
| 运行电流温度系数 | ΔI/ΔT | 0.6±0.05 | mA/度 | 
| 结构模式 | SM | TE00 | - | 
| 运行温度 | Top | 25 | 度 | 
| 运行温度范围 | -40… +50 | 度 | |
| 储藏温度范围 | -40… +80 | 度 | |
| 运行模式 | 连续; 脉冲, τ> 5 ns | - | |
| 光电二极管监视器 | |||
| 监视器电流 | 1-1000 | μA | |
| PD 反向电压 | < 5 | V | |
注意:为保证半导体激光器SOT-148的稳定运行,必须将其安装在带铜载体的TEC上保持温度恒定。

手机/微信:13242449659电话:0755-89355351 QQ:842471885 邮箱:842471885@qq.com
 
         
                             
                             
                     
                     
                     
                     
                     
                    