Sintec新特 QCxxx-yyDC-zzz-AAV 声光Q开关电源(Q驱)(低功率)
                                                Sintec新特 QCxxx-yyDC-zzz-AAV 声光Q开关电源(Q驱)(低功率) MQCxxx-yyDC-zzz-AAV (以前的型号是R390xx-yyDMzzz-SC) 小型紧凑的Q开关电源输出功率为2W-24W,调制输入信号可以是全数字,也可以是内部脉冲发生器启动。有四种首脉冲抑制可供选择。 型号说明:QCxxx-yyDC-zzz-AAV XXX:射频频率 (xx=24、27、41、68或80MHz)。 YY:射频输出功率 (yy=2-24,W)。 ZZZ:首脉冲抑制方式(zzz=FPS, PPK, R05, A05)。 D:D为数字调制输入;A为模拟调制输入。 C:C为M时是OEM型;C为S时是19寸标准控制盒。 AAV:输入电源直流电源,为12VDC、15VDC或24VDC,出厂时设定。 型号例子:QC041-20DC-FPS-15V,41MHz OEM型射频电源,输出20W,数字调制输入,带首脉冲抑止,要求输入直流电源15V。 型号 QCxxx-yyDC-zzz-AAV 射频输出功率 2W - 24W,出厂时设定,可调整功率+10% 射频频率 24.00MHz,27.12MHz,40.68,68MHz 或 80MHz, ± 0.01% 调制输入方式 触发首脉冲...                                            
                
                            分类:                            
                            
                        货号:
                        QCxxx-yyDC-zzz-AAV
                    相关产品
                            描述                            
                                                        
                                                    Sintec新特 QCxxx-yyDC-zzz-AAV 声光Q开关电源(Q驱)(低功率)
MQCxxx-yyDC-zzz-AAV (以前的型号是R390xx-yyDMzzz-SC)
小型紧凑的Q开关电源输出功率为2W-24W,调制输入信号可以是全数字,也可以是内部脉冲发生器启动。有四种首脉冲抑制可供选择。
型号说明:QCxxx-yyDC-zzz-AAV

- 
XXX:射频频率 (xx=24、27、41、68或80MHz)。 
- 
YY:射频输出功率 (yy=2-24,W)。 
- 
ZZZ:首脉冲抑制方式(zzz=FPS, PPK, R05, A05)。 
- 
D:D为数字调制输入;A为模拟调制输入。 
- 
C:C为M时是OEM型;C为S时是19寸标准控制盒。 
- 
AAV:输入电源直流电源,为12VDC、15VDC或24VDC,出厂时设定。 
型号例子:QC041-20DC-FPS-15V,41MHz OEM型射频电源,输出20W,数字调制输入,带首脉冲抑止,要求输入直流电源15V。
| 型号 | QCxxx-yyDC-zzz-AAV | 
| 射频输出功率 | 2W - 24W,出厂时设定,可调整功率+10% | 
| 射频频率 | 24.00MHz,27.12MHz,40.68,68MHz 或 80MHz, ± 0.01% | 
| 调制输入方式 | 触发首脉冲抑制:FPS (First Pulse Suppression) | 
| 触发预脉冲抑制:PPK (Pre Pulse Kill) | |
| 射频关断模拟控制(RF off Analog Control):型号R05时为0-5V | |
| 模拟调制 (Analog Control):型号A05时为0-5V;型号A13时为2-13V | |
| 输出匹配阻抗 | 50W | 
| 射频输出下降时间 | < 50ns | 
| 射频输出上升时间 | < 100ns | 
| 输入电压 | +12VDC、+15VDC 或 +24VDC ±5% (订货时必须选一) | 
| 输入电流 | < 3A | 
| 调制输入控制信号 | TTL (TTL 高电平无射频输出) | 
| 调制频率 | 1Hz 至 500kHz | 
| 内部脉冲宽度 | 1µs 至 20µs | 
| 储藏温度 | -20ºC 至 +85ºC | 
| 运行温度 | +10ºC 至 +55ºC | 
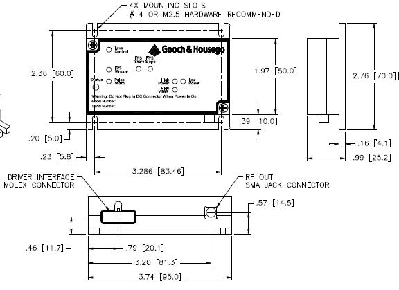
| 外形尺寸 | 95x60x25mm | 
外观尺寸图

手机/微信:13242449659电话:0755-89355351 QQ:842471885 邮箱:842471885@qq.com
 
         
                             
                             
                             
                     
                     
                     
                     
                     
                    