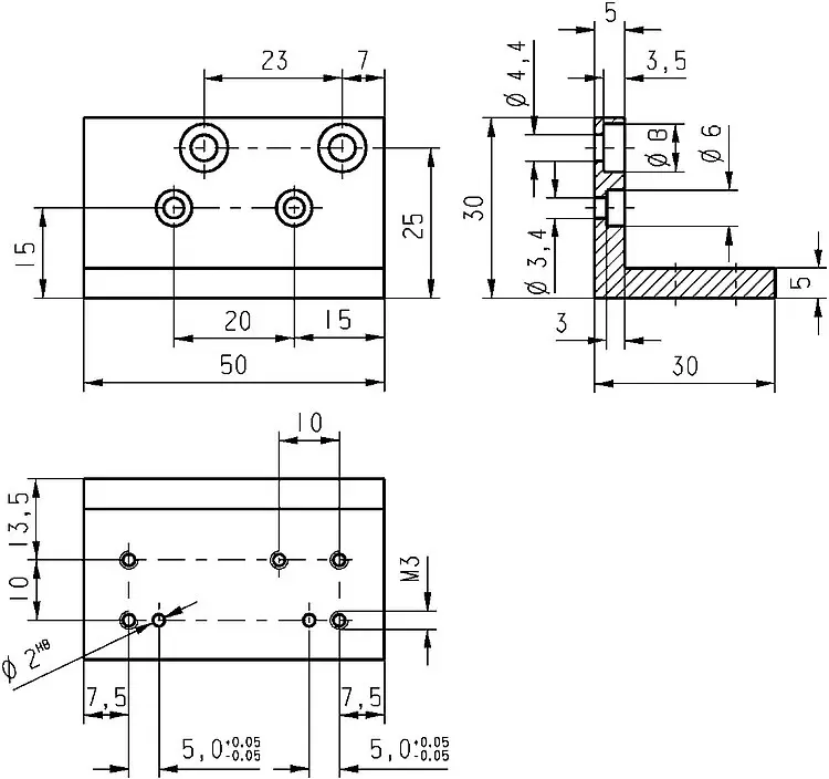
PI普爱 M-009.20 安装支架

PI普爱 M-009.20 安装支架 用于安装P-280 PZT块式促动器或F-010纤维支架 在垂直安装的M-105 / M-106平台上 手机/微信:13242449659电话:0755-89355351 QQ:842471885 邮箱:842471885@qq.com
分类:
货号:
M-009.20

相关产品

 
 

PI普爱 M-009.20 安装支架

用于安装P-280 PZT块式促动器或F-010纤维支架

  • 在垂直安装的M-105 / M-106平台上

手机/微信:13242449659电话:0755-89355351 QQ:842471885 邮箱:842471885@qq.com