PI普爱 M-590.00 三点支撑套组

PI普爱 M-590.00 三点支撑套组 用于在蜂窝表顶部等部位安装M-511、M-521和M-531平台 (公制和英制) to content 手机/微信:13242449659电话:0755-89355351 QQ:842471885 邮箱:842471885@qq.com
分类:
货号:
M-590.00

相关产品

 
 

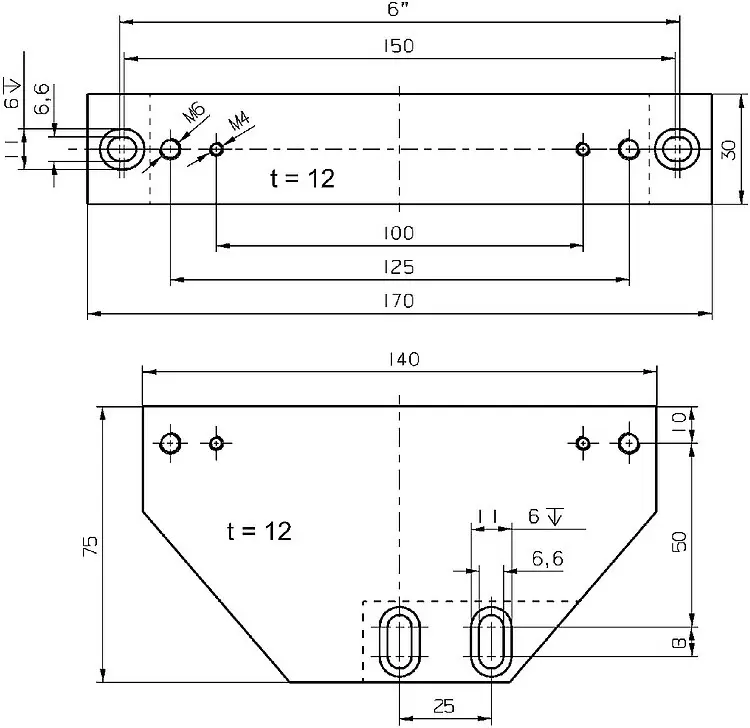
PI普爱 M-590.00 三点支撑套组

用于在蜂窝表顶部等部位安装M-511、M-521和M-531平台

  • (公制和英制)

手机/微信:13242449659电话:0755-89355351 QQ:842471885 邮箱:842471885@qq.com