HAMAMATSU滨松 D型插座组件 E2624-05
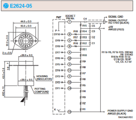
                                                HAMAMATSU滨松 D型插座组件 E2624-05 详细参数 适用的 PMT 28 mm 端窗型 电源电压极性 + [Max. Rating] 绝缘电压(机箱 - 引脚) 2500 V [Max. Rating] 电源电压 2500 V [Max. Rating] 分压器电流 0.53 mA 总分压器电阻 4.8 MΩ 备注 适用于 R6427,用于闪烁计数   0755-89355351  手机/微信:13242449659 QQ:842471885                                            
                
                            分类:                            
                            
                        
            描述            
                        
                    HAMAMATSU滨松 D型插座组件 E2624-05
详细参数
| 适用的 PMT | 28 mm 端窗型 | 
| 电源电压极性 | + | 
| [Max. Rating] 绝缘电压(机箱 - 引脚) | 2500 V | 
| [Max. Rating] 电源电压 | 2500 V | 
| [Max. Rating] 分压器电流 | 0.53 mA | 
| 总分压器电阻 | 4.8 MΩ | 
| 备注 | 适用于 R6427,用于闪烁计数 | 
0755-89355351 手机/微信:13242449659 QQ:842471885
 
         
                             
                             
                     
                     
                     
                     
                     
                     
                     
                     
                    