HAMAMATSU滨松 侧面式光电倍增管 R1527
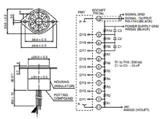
                                                HAMAMATSU滨松 侧面式光电倍增管 R1527 详细参数 类型 侧面式 管子尺寸 28 mm 直径 光阴极面区域形状 正方形 光阴极面区域尺寸 8 x 24 mm 波长(短) 185 nm 波长(长) 680 nm 波长(峰值) 400 nm 光谱灵敏度特性曲线代码 456U 光阴极面材料 低噪声双碱 窗材 紫外玻璃 倍增器电极结构 圆形罩壳 倍增器电极级数 9 [Max. Rating] 阳极至阴极电压 1250 V [Max. Rating] 平均阳极电流 0.1 mA 阳极至阴极电源电压 1000 V [Cathode] 亮度灵敏度最小值 40 μA/lm [Cathode] 亮度灵敏度典型值 60 μA/lm [Cathode] 蓝敏度指数 (CS 5-58) 典型值 6.4 [Cathode] 辐射灵敏度典型值 60 mA/W [Anode] 亮度灵敏度最小值 200 A/lm [Anode] 亮度灵敏度典型值 400 A/lm [Anode] 辐射灵敏度典型值 4.0 x 105 A/W [Anode] 增益率典型值 6.7 x 106 [Anode] 暗电流(30 分钟后) 典型值 0.1 nA [Anode] 暗电流(30 分钟后) 最大值 2 nA [Time Response] 上升时间典型值 2.2 ns [Time Response] 渡越时间典型值 22 ns 0755-89355351...                                            
                
                            分类:                            
                            
                        
                            描述                            
                                                        
                                                    HAMAMATSU滨松 侧面式光电倍增管 R1527
详细参数
| 类型 | 侧面式 | 
| 管子尺寸 | 28 mm 直径 | 
| 光阴极面区域形状 | 正方形 | 
| 光阴极面区域尺寸 | 8 x 24 mm | 
| 波长(短) | 185 nm | 
| 波长(长) | 680 nm | 
| 波长(峰值) | 400 nm | 
| 光谱灵敏度特性曲线代码 | 456U | 
| 光阴极面材料 | 低噪声双碱 | 
| 窗材 | 紫外玻璃 | 
| 倍增器电极结构 | 圆形罩壳 | 
| 倍增器电极级数 | 9 | 
| [Max. Rating] 阳极至阴极电压 | 1250 V | 
| [Max. Rating] 平均阳极电流 | 0.1 mA | 
| 阳极至阴极电源电压 | 1000 V | 
| [Cathode] 亮度灵敏度最小值 | 40 μA/lm | 
| [Cathode] 亮度灵敏度典型值 | 60 μA/lm | 
| [Cathode] 蓝敏度指数 (CS 5-58) 典型值 | 6.4 | 
| [Cathode] 辐射灵敏度典型值 | 60 mA/W | 
| [Anode] 亮度灵敏度最小值 | 200 A/lm | 
| [Anode] 亮度灵敏度典型值 | 400 A/lm | 
| [Anode] 辐射灵敏度典型值 | 4.0 x 105 A/W | 
| [Anode] 增益率典型值 | 6.7 x 106 | 
| [Anode] 暗电流(30 分钟后) 典型值 | 0.1 nA | 
| [Anode] 暗电流(30 分钟后) 最大值 | 2 nA | 
| [Time Response] 上升时间典型值 | 2.2 ns | 
| [Time Response] 渡越时间典型值 | 22 ns | 
0755-89355351 手机/微信:13242449659 QQ:842471885 邮箱:842471885@QQ.COM
 
         
                             
                             
                             
                     
                     
                     
                     
                     
                     
                     
                     
                    