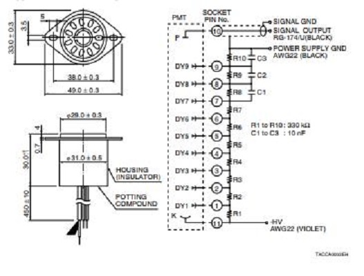
HAMAMATSU滨松 侧面式光电倍增管 R4632
HAMAMATSU滨松 侧面式光电倍增管 R4632 详细参数 类型 侧面式 管子尺寸 28 mm 直径 光阴极面区域形状 正方形 光阴极面区域尺寸 8 x 24 mm 波长(短) 185 nm 波长(长) 850 nm 波长(峰值) 430 nm 光谱灵敏度特性曲线代码 556U 光阴极面材料 多碱 窗材 紫外玻璃 倍增器电极结构 圆形罩壳 倍增器电极级数 9 [Max. Rating] 阳极至阴极电压 1250 V [Max. Rating] 平均阳极电流 0.1 mA 阳极至阴极电源电压 1000 V [Cathode] 亮度灵敏度最小值 140 μA/lm [Cathode] 亮度灵敏度典型值 200 μA/lm [Cathode] 蓝敏度指数 (CS 5-58) 典型值 7.5 [Cathode] 红白比 (R-68) 典型值 0.15 [Cathode] 辐射灵敏度典型值 80 mA/W [Anode] 亮度灵敏度最小值 300 A/lm [Anode] 亮度灵敏度典型值 700 A/lm [Anode] 辐射灵敏度典型值 2.8 x 105 A/W [Anode] 增益率典型值 3.5 x 106 [Anode] 暗电流(30 分钟后) 典型值 0.2 nA [Anode] 暗电流(30 分钟后) 最大值 1 nA [Time Response] 上升时间典型值 2.2 ns [Time Response] ...
分类:
描述
HAMAMATSU滨松 侧面式光电倍增管 R4632
详细参数
|
类型 |
侧面式 |
|
管子尺寸 |
28 mm 直径 |
|
光阴极面区域形状 |
正方形 |
|
光阴极面区域尺寸 |
8 x 24 mm |
|
波长(短) |
185 nm |
|
波长(长) |
850 nm |
|
波长(峰值) |
430 nm |
|
光谱灵敏度特性曲线代码 |
556U |
|
光阴极面材料 |
多碱 |
|
窗材 |
紫外玻璃 |
|
倍增器电极结构 |
圆形罩壳 |
|
倍增器电极级数 |
9 |
|
[Max. Rating] 阳极至阴极电压 |
1250 V |
|
[Max. Rating] 平均阳极电流 |
0.1 mA |
|
阳极至阴极电源电压 |
1000 V |
|
[Cathode] 亮度灵敏度最小值 |
140 μA/lm |
|
[Cathode] 亮度灵敏度典型值 |
200 μA/lm |
|
[Cathode] 蓝敏度指数 (CS 5-58) 典型值 |
7.5 |
|
[Cathode] 红白比 (R-68) 典型值 |
0.15 |
|
[Cathode] 辐射灵敏度典型值 |
80 mA/W |
|
[Anode] 亮度灵敏度最小值 |
300 A/lm |
|
[Anode] 亮度灵敏度典型值 |
700 A/lm |
|
[Anode] 辐射灵敏度典型值 |
2.8 x 105 A/W |
|
[Anode] 增益率典型值 |
3.5 x 106 |
|
[Anode] 暗电流(30 分钟后) 典型值 |
0.2 nA |
|
[Anode] 暗电流(30 分钟后) 最大值 |
1 nA |
|
[Time Response] 上升时间典型值 |
2.2 ns |
|
[Time Response] 渡越时间典型值 |
22 ns |
|
备注 |
阳极暗计数(最大值):300 (s-1) * 在平台电压下测量。 |
0755-89355351 手机/微信:13242449659 QQ:842471885 邮箱:842471885@QQ.COM