HAMAMATSU滨松 侧面式光电倍增管 R10824
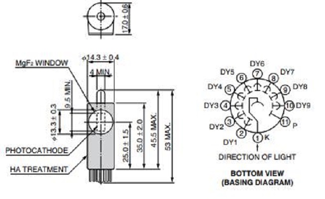
HAMAMATSU滨松 侧面式光电倍增管 R10824 详细参数 类型 侧面式 管子尺寸 13 mm 直径 光阴极面区域形状 正方形 光阴极面区域尺寸 4 x 9.5 mm 波长(短) 115 nm 波长(长) 320 nm 波长(峰值) 200 nm 光谱灵敏度特性曲线代码 250M 光阴极面材料 Cs-Te 窗材 MgF2 倍增器电极结构 圆形罩壳 倍增器电极级数 9 [Max. Rating] 阳极至阴极电压 1250 V [Max. Rating] 平均阳极电流 0.01 mA 阳极至阴极电源电压 1000 V [Cathode] 辐射灵敏度典型值 33(254 nm 时)mA/W [Anode] 辐射灵敏度典型值 2.0 x 105(254 nm 时)A/W [Anode] 增益率典型值 6.0 x 106 [Anode] 暗电流(30 分钟后) 典型值 0.3 nA [Anode] 暗电流(30 分钟后) 最大值 3 nA [Time Response] 上升时间典型值 1.4 ns [Time Response] 渡越时间典型值 15 ns 0755-89355351 手机/微信:13242449659 QQ:842471885 邮箱:842471885@QQ.COM...
分类:
描述
HAMAMATSU滨松 侧面式光电倍增管 R10824
详细参数
|
类型 |
侧面式 |
|
管子尺寸 |
13 mm 直径 |
|
光阴极面区域形状 |
正方形 |
|
光阴极面区域尺寸 |
4 x 9.5 mm |
|
波长(短) |
115 nm |
|
波长(长) |
320 nm |
|
波长(峰值) |
200 nm |
|
光谱灵敏度特性曲线代码 |
250M |
|
光阴极面材料 |
Cs-Te |
|
窗材 |
MgF2 |
|
倍增器电极结构 |
圆形罩壳 |
|
倍增器电极级数 |
9 |
|
[Max. Rating] 阳极至阴极电压 |
1250 V |
|
[Max. Rating] 平均阳极电流 |
0.01 mA |
|
阳极至阴极电源电压 |
1000 V |
|
[Cathode] 辐射灵敏度典型值 |
33(254 nm 时)mA/W |
|
[Anode] 辐射灵敏度典型值 |
2.0 x 105(254 nm 时)A/W |
|
[Anode] 增益率典型值 |
6.0 x 106 |
|
[Anode] 暗电流(30 分钟后) 典型值 |
0.3 nA |
|
[Anode] 暗电流(30 分钟后) 最大值 |
3 nA |
|
[Time Response] 上升时间典型值 |
1.4 ns |
|
[Time Response] 渡越时间典型值 |
15 ns |
0755-89355351 手机/微信:13242449659 QQ:842471885 邮箱:842471885@QQ.COM