CST 康视达 CST-HCOS40-W 高亮同轴光源
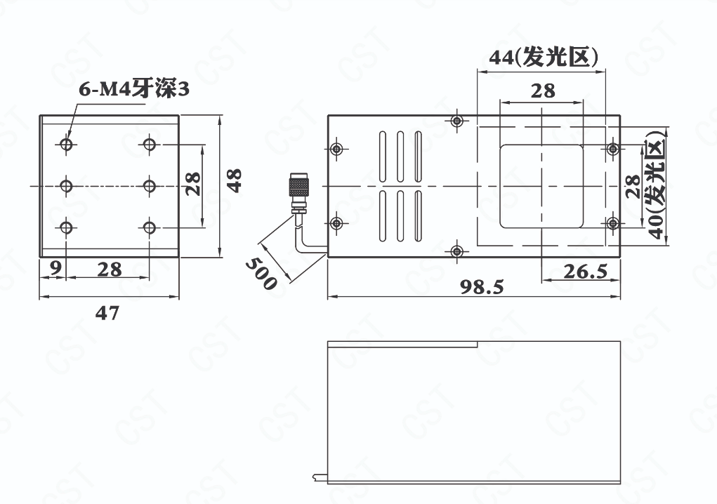
CST 康视达 CST-HCOS40-W 高亮同轴光源 产品型号 CST-HCOS40-W 光源颜色 白色 光源功率 18W 色温/波长 6000-6500K 保存环境 温度:-20-60℃ 湿度:20-85%RH(非凝结) 使用环境 温度:0-40℃ 使用寿命 环境为25℃时,红色以50%照度连续工作60000小时, 衰减量为50% 环境为25℃时,白色以50%照度连续工作30000小时, 衰减量为50% 品质保证 CST产品自出货日起1年,非人为原因发生故障,免费提供维修或更换服务 手机/微信:13242449659电话:0755-89355351 QQ:842471885 邮箱:842471885@qq.com ...
货号:
CST-HCOS40-W
相关产品
描述
CST 康视达 CST-HCOS40-W 高亮同轴光源
| 产品型号 | CST-HCOS40-W | |||
| 光源颜色 | 白色 | |||
| 光源功率 | 18W | |||
| 色温/波长 | 6000-6500K | |||
| 保存环境 | 温度:-20-60℃ | 湿度:20-85%RH(非凝结) | ||
| 使用环境 | 温度:0-40℃ | |||
| 使用寿命 | 环境为25℃时,红色以50%照度连续工作60000小时, 衰减量为50% | |||
| 环境为25℃时,白色以50%照度连续工作30000小时, 衰减量为50% | ||||
| 品质保证 | CST产品自出货日起1年,非人为原因发生故障,免费提供维修或更换服务 | |||
手机/微信:13242449659电话:0755-89355351 QQ:842471885 邮箱:842471885@qq.com