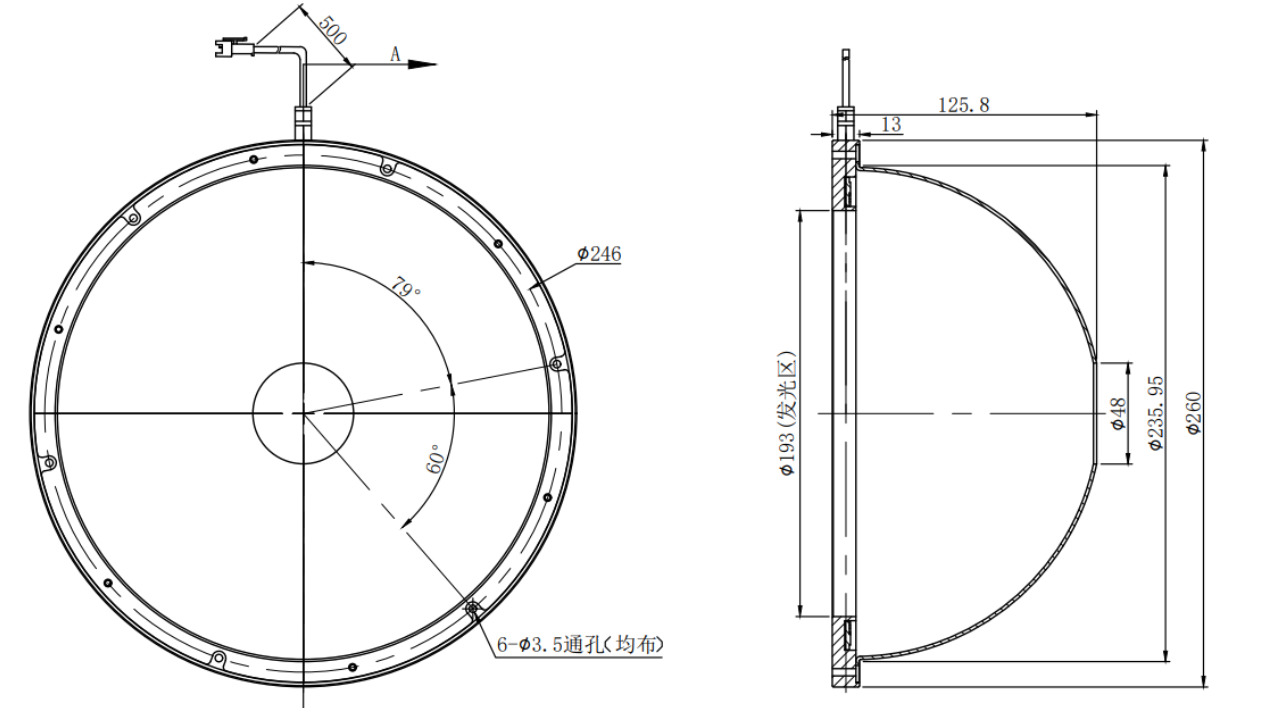
CST 康视达 CST-DS260-W 圆顶光源
CST 康视达 CST-DS260-W 圆顶光源 产品型号 CST-DS260-W 光源颜色 白色 光源功率 38W 色温/波长 6000-6500K 保存环境 温度:-20-60℃ 湿度:20-85%RH(非凝结) 使用环境 温度:0-40℃ 使用寿命 环境为25℃时,红色以50%照度连续工作60000小时, 衰减量为50% 环境为25℃时,白色以50%照度连续工作30000小时, 衰减量为50% 手机/微信:13242449659电话:0755-89355351 QQ:842471885 邮箱:842471885@qq.com ...
分类:
货号:
CST-DS260-W
描述
CST 康视达 CST-DS260-W 圆顶光源
| 产品型号 | CST-DS260-W | |||
| 光源颜色 | 白色 | |||
| 光源功率 | 38W | |||
| 色温/波长 | 6000-6500K | |||
| 保存环境 | 温度:-20-60℃ | 湿度:20-85%RH(非凝结) | ||
| 使用环境 | 温度:0-40℃ | |||
| 使用寿命 | 环境为25℃时,红色以50%照度连续工作60000小时, 衰减量为50% | |||
| 环境为25℃时,白色以50%照度连续工作30000小时, 衰减量为50% | ||||
手机/微信:13242449659电话:0755-89355351 QQ:842471885 邮箱:842471885@qq.com